Right Angle Pivot Nub

Image of Draw-Right Angle Pivot Nub

Right Angle Pivot Nub

SELECT PRODUCT VARIATION BELOW TO ADD TO RFQ

Product Variations

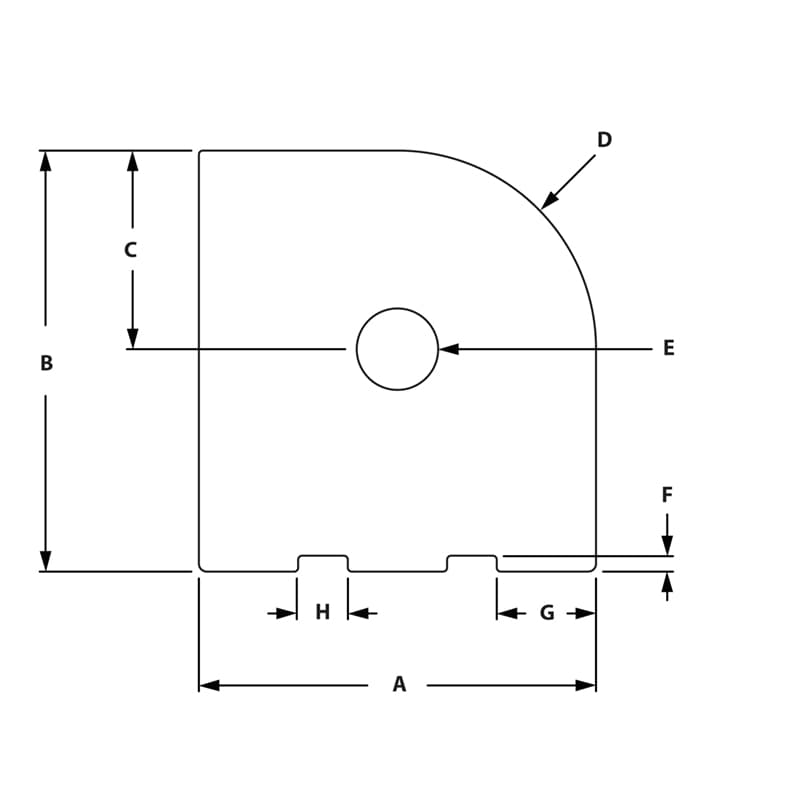
Item # Finish Stock Length Series A B C D E F G H List Price Qty. Add to RFQ
662080
Anodized
120"
10
1.000"
1.060"
.500"
.500"
.205"
.040"
.250"
.125"
105.668
662081
Mill Finish
120"
10
1.000"
1.060"
.500"
.500"
.205"
.040"
.250"
.125"
69.752
662082
Anodized
120"
15
1.500"
1.600"
.750"
.750"
.265"
.080"
.314"
.279"
195.389
662083
Mill Finish
120"
15
1.500"
1.600"
.750"
.750"
.265"
.080"
.314"
.279"
195.389
}