Single Shaft Pre-drilled Mounting Plate

Image of Single Shaft Pre-Drilled Mounting Plate Image of Draw-Single Shaft Pre-Drilled Mounting Plate

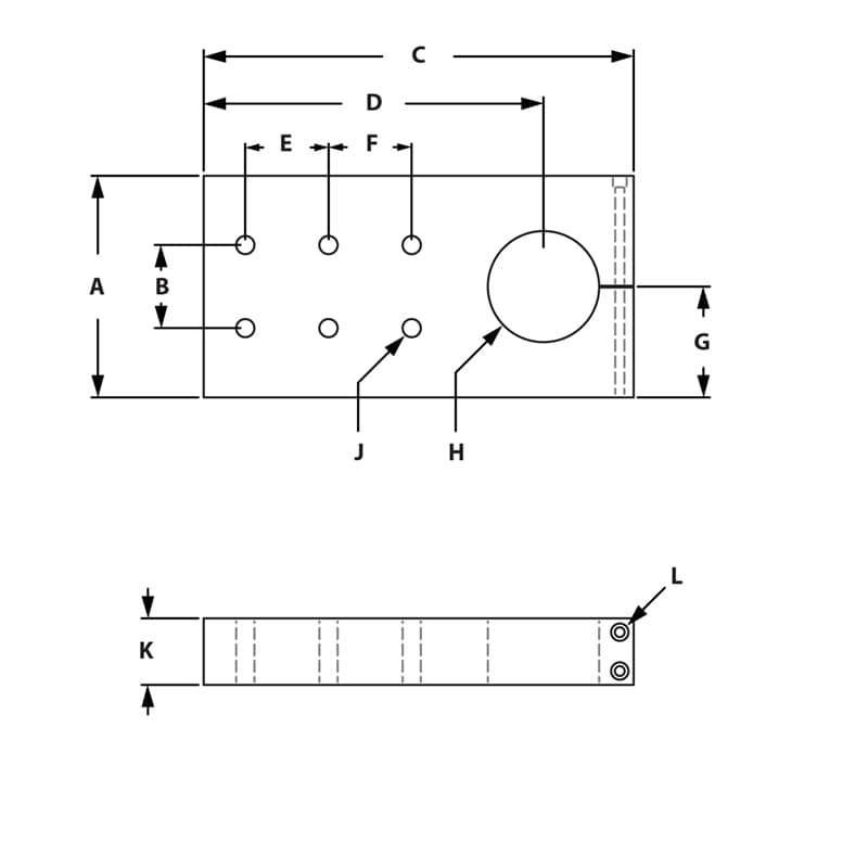
This single shaft pre-drilled stanchion is used to create an additional axis with tubes connecting parallel to the base with clearance channels for wire access. This is a strong and durable option.

SELECT PRODUCT VARIATION BELOW TO ADD TO RFQ

Product Variations

Item # Series Recommended Fastener # 1 Recommended Fastener #1 Qty Included Hardware #1 Included Hardware # 1 Qty A B C D E F G H J K List Price Qty. Add to RFQ
659024

10
651121
4
651031
2
2.000"
1.000"
4.500"
3.560"
1.000"
N/A
1.000"
1.004"
4@ .257"
1.250"
82.966
659025

15
651583
4
651031
2
2.000"
1.500"
4.500"
3.562"
1.500"
N/A
1.000"
1.004"
4@ .328"
1.250"
82.966
659027

15
651584
4
651653
2
3.000"
1.500"
6.500"
5.125"
1.500"
N/A
1.500"
1.505"
4@ .328"
1.500"
93.975
659029

15
651585
6
651654
2
4.000"
1.500"
7.750"
6.125"
1.500"
1.500"
2.000"
2.005"
6@ .328"
2.000"
121.894